Стартовая
Лучшее
Конкурс
Галерея
Фото дня
Фото недели
Регистрация
Мои фотографии
Добавить фото
Создать альбом
Администрирование
Персональная статистика
Правила
Фотокритика
Форум
Школа

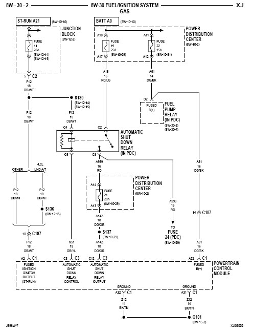
Альбом Cherokee_XJ. Фото "Fuell pump 2.jpg" 81.7 k (495x646)

Fuell pump 2.jpg

 
Назад в альбом "Cherokee_XJ"
ПредыдущееСледующее
 
 
 
Fuell pump 2.jpgDownload Fuell pump 2.jpg 81.7 k  (495x646)
АльбомCherokee_XJ
АвторLoomis_32
Комментарий автора:
Схема полключения бензонасоса
Статистика просмотров Статистика оценок СсылкиНаписать сообщение авторуДобавить в избранное


Разрешение монитора
Оригинальный размер
Всегда отображать подробности 




Яндекс цитирования